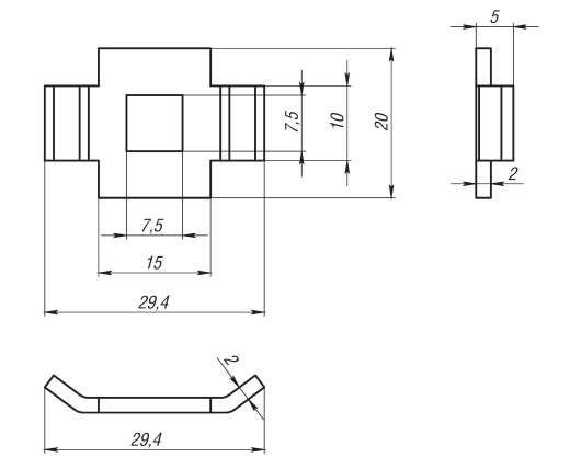
Данный соединитель имеет защитное покрытие типа типа горячий цинк, что позволяет продлить эксплуатацию изделия. Покрытие типа горячий цинк предохраняет материал от окисления, обеспечивает устойчивость к механическим повреждениям и коррозии. Соединитель двойной имеет следующие габаритные характеристики: толщина металла 2 мм, длина – 20 мм, ширина – 29,4 мм. Соответствует климатическому исполнению: УТ1,5.
Высокий стандарт качества изделий, гибкое производство, обеспечение поставки любого объема точно в срок! Соединитель двойной ПАС2.0.0.0.0.1 изготовлено согласно ТУ 25.11.23-029-05774835-2022.
Производственная компания “СОЭМИ” предлагает купить недорого данный вид продукции, выбирая из большого ассортимента. Вы можете собрать Ваш заказ прямо на сайте, или же оставить заявку по телефону, на , в форме обратной связи на сайте. Ваша выгода - неоспорима, ведь обращаясь напрямую к заводу производителю – вы получаете гарантированно лучшие цены, надежность поставки, и доставку собственным транспортом в любой регион России и стран СНГ. Звоните прямо сейчас и обсудите условия оплаты и доставки с Вашим персональным менеджером!
Гарантия качества
Система менеджмента качества ISO 9001
Современное оборудование
Высокие производственные мощности
Доставка в срок
Надёжный поставщик
Широкая сеть представительств


